ClaRa+
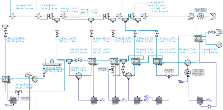
ClaRa+ is a comprehensive and powerful tool for the dynamic simulation of power plants. Reliability and efficiency are essential for a competitive power industry. Electricity production from renewable sources such as wind and solar is continuously increasing. The combination of their fluctuating generation and priority supply results in new operating modes for conventional power plants. Dynamic system simulation can be used from the planning stage to optimization during operation in order to cost-effectively solve issues arising from the changing energy market.
- The modular model structure enables fast and efficient evaluation of concept and parametric studies.
- ClaRa+ power plant models can be used for early adaptation and optimization of control technology to save time and costs during commissioning.
- Customized model detailing enables support in all project phases, from preliminary studies and component design to accurate controller parameterization.
- ClaRa+ enables the analysis of interactions between different generating units to increase the efficiency of the power plant, including microgrids.
- ClaRa+ includes state-of-the-art control technology blocks, closely based on hardware implementations, to quickly and efficiently create a virtual representation of the control technology.
- The easy extensibility of ClaRa+ allows the creation of custom models satisfying individual requirements.
- The ClaRa+ models take into account the dynamics of the power plant components so that component design can be performed even under extremely dynamic operating conditions.
- Failures and special operating conditions can be analyzed to increase the safety and reliability of processes.
For more information and to download a free demo version of the software library, visit the following website.


